Грозозащита Ethernet 1G, с заземлением
Выполняет функцию защиты сетевого оборудования Ethernet 10/100/1000 Base-TX от опасных напряжений, возникающих в результате грозовых разрядов, и индустриальных помех. Устройства выделены в линейку РГ5 по признаку наличия гальванической трансформаторной развязки кабеля с оборудованием.
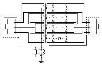
В основе работы лежит принцип отвода опасных напряжений, возникающих в кабеле, на шину заземления через среднюю точку трансформаторной развязки. Данное инженерное решение является уникальным и до сих пор не применялось в устройствах защиты.
Ключевым отличием данной грозозащиты от РГ5 является поддержка гигабитных сетей.
Длина кабеля UTP ~39 см, длина кабеля заземления ~48 см.
Особенности
- Отсутствие электрической связи (гальваническая развязка) между защищаемым оборудованием и подключаемым кабелем
- Высокая стойкость
- Высокая степень подавления помех
- Низкие потери полезного сигнала
Рекомендации по применению
Полная защита оборудования предполагает размещение защитных устройств на обоих концах кабельного сегмента. Выбор устройств защиты зависит от конкретных условий применения. В качестве базового варианта следует принять размещение устройств РГ5 на обоих концах. Этот вариант обеспечивает максимально высокую стойкость системы защиты, которую можно применять для кабельных сегментов большой длины (80 метров и более), размещённых на большой высоте (10 метров и более).
.png?1772530137902)
В случае, если на одном из концов кабельного сегмента не представляется возможным подключиться к проводнику защитного заземления РЕ, рекомендуется использовать устройство РГ6, не требующее заземления. Этот вариант обеспечивает меньшую стойкость системы защиты в силу отсутствия заземления на одном из концов, но этого достаточно, чтобы защитить кабельные сегменты, размещённые на небольшой высоте (не более 6–7 метров), либо имеющие небольшую длину (менее 80 метров), либо проложенные по наружным стенам зданий и строительным конструкциям, которые экранируют электромагнитную наводку грозового разряда.
.png?1772530160204)
Подключение
Устройство включается в разрыв кабеля между защищаемым оборудованием и кабельным сегментом. Жёлто-зелёный провод устройства подключается к проводнику защитного заземления электрической сети.

ВНИМАНИЕ! Эксплуатация устройства при отключенном проводнике защитного заземления значительно снижает его защитные свойства и делает его применение малоэффективным.
Не рекомендуется для подключения к защитному проводнику использовать корпус компьютера. Импульсный ток, проходящий через элементы корпуса, может повредить их и стать источником опасных напряжений для электронных компонентов, размещённых в корпусе.
Принципиальная схема

Технические характеристики
| Подключение кабеля | Розетка RJ45 |
| Подключение оборудования | Вилка RJ45 |
| Защищаемые проводники | 1, 2, 3, 4, 5, 6, 7, 8 |
| Вносимые потери в полосе рабочих частот |
|
| Затухание несогласованности на частоте |
|
| Переходное затухание между каналами на частоте 90 МГц | > 30 дБ |
| Проходная ёмкость ВХОД-ВЫХОД | < 110 пФ |
| Испытательное напряжение ВХОД-ВЫХОД | 1500 В |
| Уровень ограничения напряжения дифференциальной помехи | < ±7,5 В |
| Время срабатывания дифференциальной защиты | < 10 нс |
| Максимальное импульсное напряжение синфазной помехи относительно потенциала "ЗЕМЛИ" (при скорости нарастания 1КВ/мкС) | < ±400 В |
| Максимально допустимое напряжение в кабеле (относительно потенциала "ЗЕМЛИ")* | < ±80 В (DC) |
| Максимальный отводимый импульсный ток (импульс 8/20 мкС) | < 5 КА |
| Разброс параметров по каналам | < 10% |
| Размеры (без заземляющего провода и соединительного кабеля) | 100 х 30 х 20 мм |
| Вес | 150 г |
* Возникает в результате неравенства потенциалов «ЗЕМЛИ» в различных точках подключения. Максимальных значений это напряжение достигает, если точки подключения не охвачены системой уравнивания потенциалов.
Комплект поставки
| Грозозащита | 1 шт. |
Бренд производящий данное оборудование.
Код продукта, который компания поставляет под своей торговой маркой.
- Наличными
- Банковской картой
- Безналичный расчет через банк
