Модуль защиты 6 линий RJ45/LSA, 1U, PoE, с заземлением
Предназначен для защиты оборудования, использующего среду передачи Ethernet 10/100Base-TX, поддерживающего технологию PoE (Power Over Ethernet IEEE 802.3af), от опасных напряжений, возникающих в результате атмосферных разрядов (грозы) и индустриальных помех. Стандарт IEEE 802.3af предусматривает две схемы организации дистанционного питания для сетей Ethernet. Модуль РГ4РоЕ поддерживает обе схемы.
.png?1772530593650)
Устройство может быть смонтировано в стойку (19", 1U) с помощью специального корпуса.
Особенности
- Поддержка двух схем организации дистанционного питания, предусмотренных стандартом IEEE 802.3af
- Высокая стойкость
- Способность отводить на шину заземления большие токи при сохранении работоспособности (5000 ампер и более)
- Высокая степень подавления помех
- Низкие потери полезного сигнала (уровень потерь в устройстве меньше, чем в кабеле категории 5е длиной 2 м)
- Работоспособность изделия при случайном попадании фазного напряжения (220В) на жилы кабеля
Принцип работы
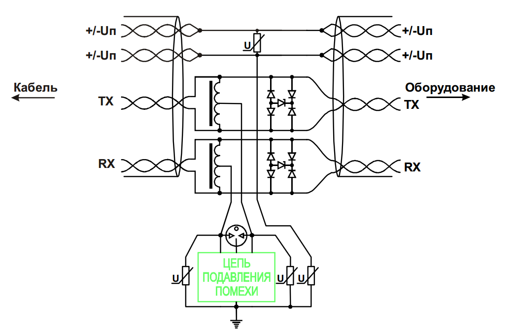
В основе работы устройства лежит принцип отвода опасных напряжений, возникающих в кабеле, на шину заземления через газонаполненный разрядник от средней точки симметрирующего дросселя. Применение газонаполненного разрядника исключает появление уравнивающих токов в схемах с применением заземления на обоих концах кабельного сегмента. Напряжение срабатывания разрядника выбрано таким образом, чтобы обеспечить работоспособность изделия при случайном попадании фазного напряжения (220В) электросети общего назначения на жилы кабельного сегмента.
.png?1772530613602)
Диодный мост с TVS-диодом в диагонали обеспечивает подавление противофазных помех на сигнальной паре. Подавление помехи по цепи питания обеспечивается варистором. Другой варистор обеспечивает привязку потенциала питающих напряжений к потенциалу "Земли". Он же обеспечивает уравнивание потенциалов между сигнальными парами и парами, по которым передается питание РоЕ.
Рекомендации по использованию
Обустройство грозозащиты только на одном конце кабельного сегмента гарантированно создает проблемы на противоположном конце кабеля. Полная защита оборудования предполагает размещение защитных устройств на обоих концах кабельного сегмента. Применение газонаполненного разрядника в схеме подключения данного устройства к заземлению обеспечивает отсутствие уравнивающих токов в кабельных системах, неохваченных системой уравнивания потенциалов. Это позволяет применить устройство на обоих концах защищаемого кабельного сегмента. Размещение устройств РГ4PoE.x-x-220 на обоих концах кабеля обеспечивает максимально высокую стойкость системы защиты, которую можно применять для кабельных сегментов большой длины (80 метров и более), размещенных на большой высоте (10 метров и более).
.png?1772530632734)
ВНИМАНИЕ! Эксплуатация устройства при отключенном проводнике защитного заземления ЗАПРЕЩЕНА.
Не рекомендуется для подключения к защитному проводнику использовать корпус компьютера. Импульсный ток, проходящий через элементы корпуса, может повредить их и стать источником опасных напряжений для электронных компонентов, размещенных в корпусе.
Технические характеристики
| Подключение кабеля | Коннектор LSA |
| Подключение оборудования | Розетка RJ-45 |
| Защищаемые проводники | 1, 2, 3, 4, 5, 6, 7, 8 |
| Вносимые потери в полосе рабочих частот 5–95 МГц | < 0,4 дБ |
| Затухание несогласованности на частоте: | |
| 10 МГц | > 30 дБ |
| 50 МГц | > 20 дБ |
| 90 МГц | > 15 дБ |
| Переходное затухание между каналами на частоте 90 МГц | > 30 дБ |
| Уровень ограничения напряжения дифференциальной помехи на сигнальных парах 1-2, 3-6 | < ±7,5 В |
| Время срабатывания дифференциальной защиты | < 10 нс |
| Максимально допустимое напряжение на кабельных жилах (относительно потенциала "ЗЕМЛИ")* | 250 (AC) 320 (DC) |
| Максимальный отводимый импульсный ток (импульс 8/20 мкС) | < 10 КА |
| Разброс параметров по каналам | < 10% |
| Размеры (без заземляющего провода и соединительного кабеля) | 217 х 103 х 34 мм |
| Вес | 800 г |
* Возникает в результате неравенства потенциалов «ЗЕМЛИ» в различных точках подключения. Максимальных значений это напряжение достигает, если точки подключения не охвачены системой уравнивания потенциалов.
Комплект поставки
| Модуль | 1 шт. |
Бренд производящий данное оборудование.
Код продукта, который компания поставляет под своей торговой маркой.
- Наличными
- Банковской картой
- Безналичный расчет через банк
